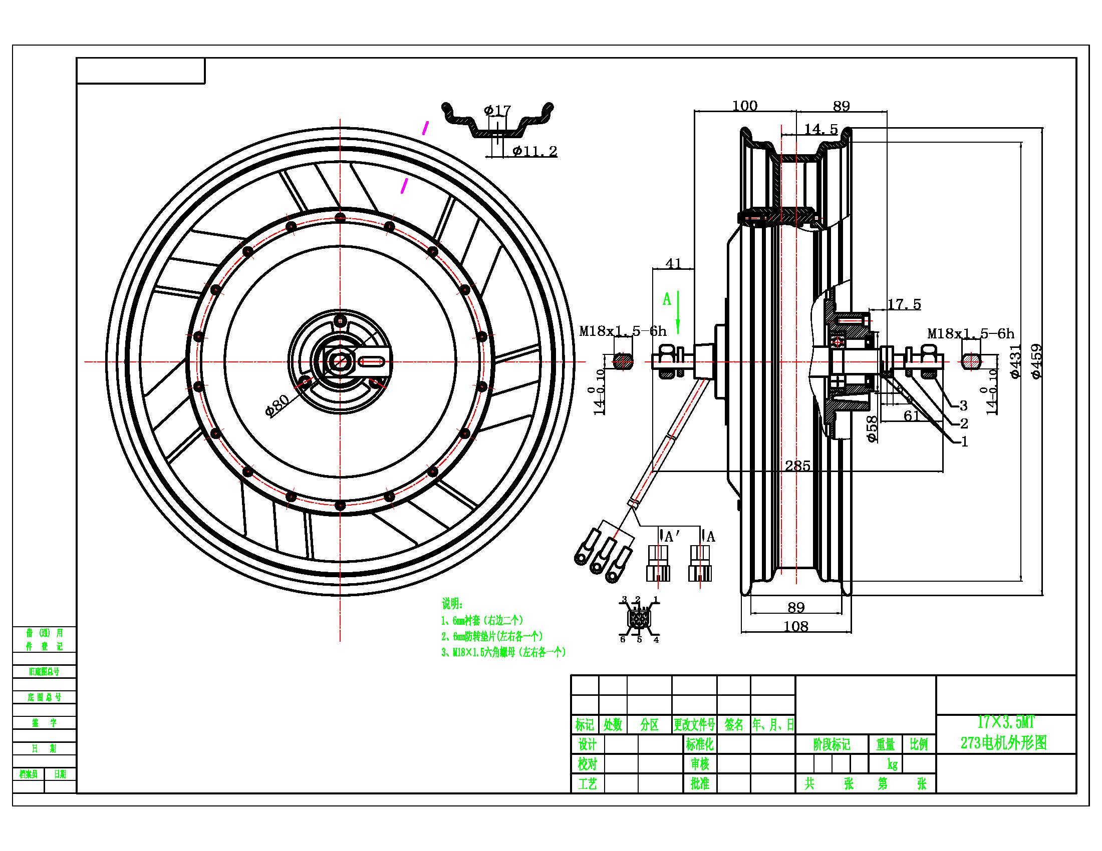
Uncategorized QS72V8000W User Manual Posted by Shaun on June 11, 2019June 5, 2021 After sales manuals have also come in for the hub motor. Drawing-for-17×3.5inch-hub-motorDownload QS Motor manuals for motor kits v2.3Download ct-22-dashboard-manualDownload Share this: Share on Facebook (Opens in new window) Facebook Share on X (Opens in new window) X Like Loading... Related